
全國服務熱線



19926637039
簡單介紹:
GUC-B礦用位移傳感器的原理是利用兩個不同磁場相交時產生一個應變脈沖信號,然后計算這個信號被探測所需的時間周期,從而換算出準確的位置。這兩個磁場一個來自磁環中的永磁鐵,另一個來自傳感器電子倉中的電子部件產生的激勵脈沖。激勵脈沖沿傳感器內用磁致伸縮材料制造的波導絲以聲速運行。當與磁環中的永磁場相交時,由于磁致伸縮現象,波導絲產生的機械振動形成一個應變脈沖。應變脈沖很快便被電子倉中的感測電路探測到。從產生激勵脈沖的一刻到應變脈沖被探測到總的時間乘以固定的聲速,我們便能準確的計算出磁鐵的位置變化。這個過程是連續不斷的,所以每當磁環位置改變時,新的位置會被迅速測量出來。由于輸出信號是真正的絕 對 值,而不是比例的或需要再放大處理的信號,所以不存在信號漂移或變值的情況,更不必像其他傳感器那樣需要定期重標。
詳情介紹:
一、GUB礦用本安磁致伸縮位移傳感器概述:
GUC-B礦用位移傳感器的原理是利用兩個不同磁場相交時產生一個應變脈沖信號,然后計算這個信號被探測所需的時間周期,從而換算出準確的位置。這兩個磁場一個來自磁環中的永磁鐵,另一個來自傳感器電子倉中的電子部件產生的激勵脈沖。激勵脈沖沿傳感器內用磁致伸縮材料制造的波導絲以聲速運行。當與磁環中的永磁場相交時,由于磁致伸縮現象,波導絲產生的機械振動形成一個應變脈沖。應變脈沖很快便被電子倉中的感測電路探測到。從產生激勵脈沖的一刻到應變脈沖被探測到總的時間乘以固定的聲速,我們便能準確的計算出磁鐵的位置變化。這個過程是連續不斷的,所以每當磁環位置改變時,新的位置會被迅速測量出來。由于輸出信號是真正的 絕 對 值,而不是比例的或需要再放大處理的信號,所以不存在信號漂移或變值的情況,更不必像其他傳感器那樣需要定期重標。
GUC-B礦用位移傳感器為非接觸式,永不磨損。具有高分辨率、高精度、高穩定性、高可靠性、響應時間快、工作壽命長等優點。傳感器不用重新標定,也不用定期維護。
二、GUB礦用本安磁致伸縮位移傳感器技術參數:

三、GUB礦用本安磁致伸縮位移傳感器接線方式:
傳感器共有五個接點:電源正(紅)、電源負(白)、輸出正(綠)、空(藍)、殼體地(屏蔽線)
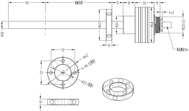
四、安裝方式及安裝尺寸:
1.檢查傳感器和磁環完好;規劃電纜路徑避開大功率設備;準備所需工具。
2.清理接觸面,確保O形圈密封有效;殼體可靠接地。
3.磁環與測桿保持同心,無接觸。
4.嚴格按線色或標識接線,電源正負切勿接反,確保屏蔽線接地。
5.先單獨通電測試,移動磁環觀察輸出變化 ,正常后再連接控制系統復核數據。




