
全國服務熱線



19926637039
一、閘門開度(雙輸出磁感應)多圈編碼器概述:
閘門開度(雙輸出磁感應)多圈編碼器為測量電機旋轉位置的內部非接觸式絕 對 值編碼器,產品為米朗科技自主研發的磁感應多圈傳感器,并加入信號調理及算法,計算絕 對角度,可同時輸出模擬量信號與數字量信號。
二、閘門開度(雙輸出磁感應)多圈編碼器特性:
● 信號輸出:RS485半雙工通信,4-20mA,0-5V,0-10V
● 支持(max)轉速600rmp
● 體積小
● 抗污染能力強
● 絕 對 值輸出,數據掉電記憶
三、閘門開度(雙輸出磁感應)多圈編碼器技術規格:

四、閘門開度(雙輸出磁感應)多圈編碼器接線方式:
注:①模擬量輸出選擇較大圈數后,分辨率也會隨之變差。
②電源打開后因內部電路的初期化,請在上電50msec后,再輸入命令。每次斷電與上電保持間隔大于10秒。
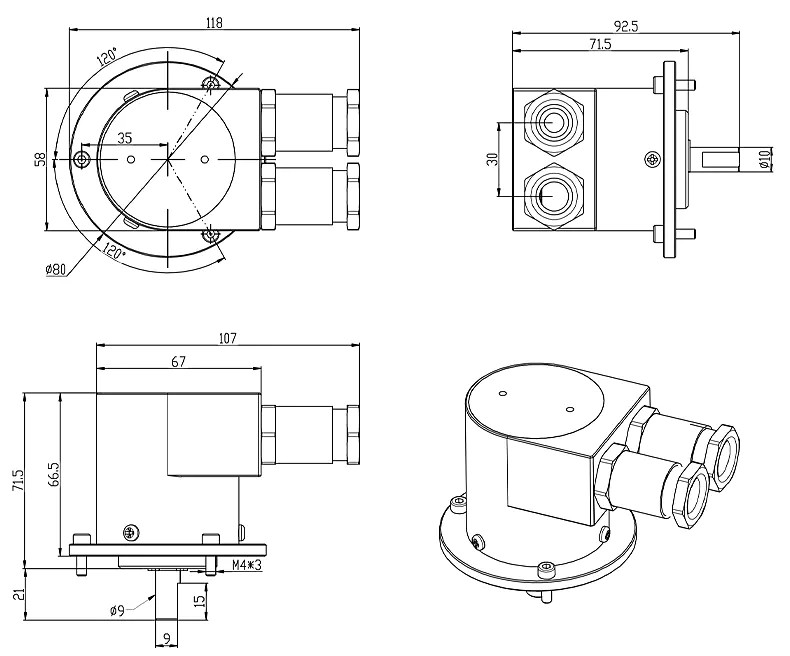
五、閘門開度(雙輸出磁感應)多圈編碼器安裝尺寸:
六、閘門開度(雙輸出磁感應)多圈編碼器選型:




