
全國服務熱線



19926637039
一、工作原理及特點:
米朗科技輪輻式稱重傳感器采用應變片在傳感器內部組成惠斯通電橋,傳感器在受到外力作用時會產生形變,引起緊貼在傳感器內部的應變片阻抗成線性的增加或者減小。通過匹配的變送器模塊,可將力學量轉換成標準的4-20mA,0-5V,0-10V等模擬信號直接與自動控制設備PLC或計算機等連接。
輪輻式稱重傳感器采用合金鋼表面鍍鎳,輪輻式彈性體拉式結構,具有低外形、抗偏載、精度高、強度好、安裝方便、拉壓輸出對稱性好等特點。
二、應用范圍:
廣泛應用于紡織、機械、工業系統中力的測量和天車秤、軌道衡、料斗秤、反應釜、冷熱液油壓機、電子萬能試驗機、伺服電杠壓裝機、各類衡器等各種稱重、測力的工業自動化測量控制系統。
三、技術參數:
量程 | 0-50,100,200,500KG | ||
靈敏度 | 2.0±0.1mv/V | 輸入阻抗 | 720±10Ω |
綜合精度 | ±0.05%FS | 輸出阻抗 | 700±10Ω |
非線性 | ±0.03%FS | 工作溫度 | -20~+80℃ |
滯后誤差 | ±0.03%FS | 允許過負荷 | 120%FS |
重復性誤差 | ±0.03%FS | 防護等級 | IP66 |
零點溫度系數 | ±0.02%FS/10℃ | 材質 | 合金鋼 |
蠕變 | ±0.03%FS/30min | 傳感器激勵電壓 | +5-12VDC |
變送模塊輸入 | mV極電壓信號 | 變送模塊供電 | +12-24VDC |
四、接線定義:
傳感器接線方式 | 變送器模塊接線方式 | ||
紅色線 | 電源正 E+ | 棕色線 | 電源正 +12-24VDC |
黑色線 | 電源負 E- | 黑色線 | 電源負 0V |
白色線 | 信號正 S+ | 藍色線 | 模擬量輸出 |
綠色線 | 信號負 S- | ||
屏蔽線 | 接大地 GND | 接大地 GND |
五、選型指導:
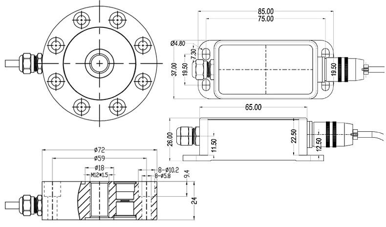
六、安裝尺寸:



